首页
|
企业文化
|
产品展厅
|
质保体系
|
新闻发布
|
博客
|
联系方式
|
Engsh
分类列表
贴片可调电位器-3314等
长寿命绕线电位器
双联绕线电位器
单圈绕线电位器
多圈绕线电位器
2026替代欧美日传感器
传感器-军工 / 航天类
传感器-接触式(超导膜片)
传感器-非接触(霍尔感应)
传感器-接触式(多圈旋转)
传感器-接触式(直线位移)
传感器-工业 / 设备类
超导膜片角位移传感器
超导膜片线位移电子尺
磁敏角度位移传感器
传感器电刷-(板刷/丝刷)
板刷-多元合金
线刷-六元合金
贵金属材料
传感器超导膜-(直线 / 旋转)
旋转定制
直滑定制
瓷盘变阻器(12W-300W)
12.5W
25W
50W
100W
150W
300W
500W
1500W
带开关电位器
8mm
9mm
12mm
12mm-RV系列
16mm
17mm
24mm
旋转式电位器
8mm
9mm金属轴
9mm绝缘轴
10mm
11mm
12mm绝缘轴
12mm金属轴
14mm
16mm绝缘轴
16mm金属轴
24mm
舵机电位器
7mm(舵机专用)
10mm
13mm
17mm
耳机电位器
6mm 直滑
6mm 旋转
10mm 特定
10mm 旋转
西班牙/微调/贴片电位器
西班牙-6mm
西班牙-10mm
西班牙-15mm
微调-06 系列
微调-08 系列
贴片-2*2mm
贴片-3*3mm
编码器
8mm
9mm
10mm
11mm
12mm
16mm
22mm
28mm
35mm
联系方式
东莞市众硕电子有限公司
总 厂:
东莞塘厦高丽众硕工业园
(家庭民用电子类)
分 厂:
广东中山火炬开发区36号
(重工/军规级别类)
电 话:
0769-8206 0236
传 真:
0769-8206 0239
联系人:
刘经理 138 2927 5385
Q Q:
22186-11255
E M:
SOL608@126.com
产品展厅
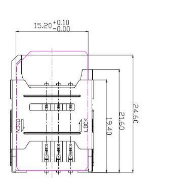
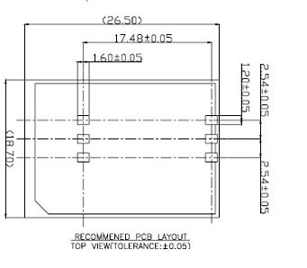
SIM卡座-翻盖
点击数:3528 更新时间:2012/11/28 【
打印此页
】 【
返回
】
版权所有
东莞市众硕电子有限公司
电话:0769-82060236 邮箱:SOL608@126.com
粤ICP备12093456号
网站制作及技术支持:
[龙岗企业网]
友情链接:
厚膜电路-弹簧片-六元合金电刷
金属粉碎机
深圳电位器
东莞电位器
SIM卡
旋转电位器
SD卡座连接器
大功率电位器
玩具电位器
长寿命碳片印刷